EN
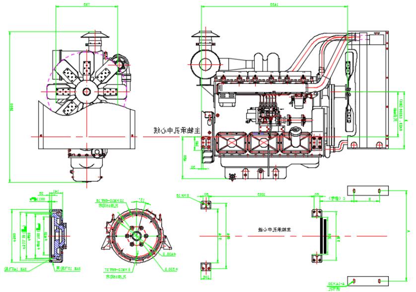
DC227

Features

DC series diesel engine is a new type of power generation diesel engine which is improved on the basis of the original series 135 series. The air intake system is optimized in structure, the appearance of pipeline is simplified, and high-grade vehicle paint is selected. The appearance is more compact and beautiful. Equipped with oil and water separator, system alarm self-protection device and oil pump, making the diesel engine application more safe, reliable and convenient. Adopting high pres
DC series diesel engine is a new type of power generation diesel engine which is improved on the basis of the original series 135 series.

The air intake system is optimized in structure, the appearance of pipeline is simplified, and high-grade vehicle paint is selected. The appearance is more compact and beautiful.

Equipped with oil and water separator, system alarm self-protection device and oil pump, making the diesel engine application more safe, reliable and convenient.

Adopting high pressure and air medium cooling technology, equipped with special high pressure oil pump, porous low pressure inertia injector and electronic governor, it can atomize well and burn well, reduce the minimum fuel consumption of traditional 135 diesel engine to 206g/kw.h, reduce noise and save energy and environmental protection.