- 产品详情
- 产品参数
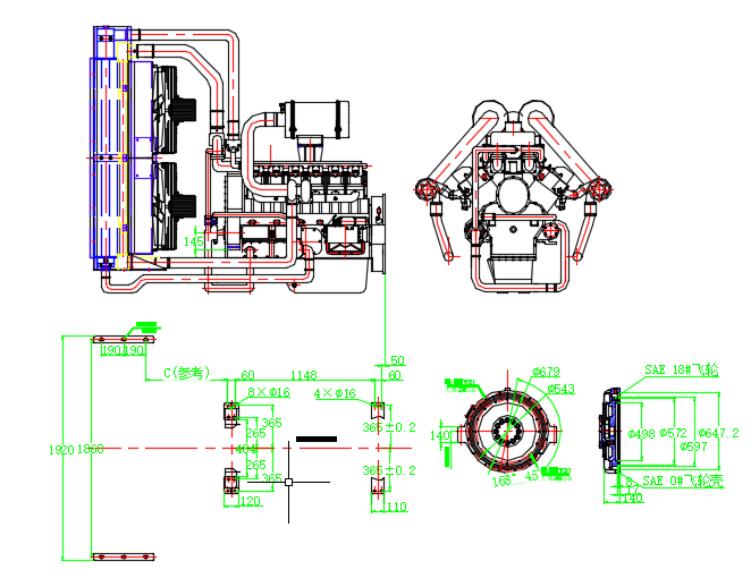
DCV系列柴油机是在原 138系列柴油机的基础上进行改良的发电用新款柴油机,具有外观美观、功率强劲、运行可靠、节能环保等特点。
进气系统结构优化,外观管路布置简化,选用高档车用漆,外观显得更加紧凑和美观。
配有油水分离器,系统报警自我保护装置和机油抽油泵,使柴油机应用更安全、可靠、方便。
采用高增压和空空中冷技术,配以专用高压油泵和多孔低压惯量喷油器及电子调速器,雾化好,燃烧充分,降低噪音,节能环保。
进气系统结构优化,外观管路布置简化,选用高档车用漆,外观显得更加紧凑和美观。
配有油水分离器,系统报警自我保护装置和机油抽油泵,使柴油机应用更安全、可靠、方便。
采用高增压和空空中冷技术,配以专用高压油泵和多孔低压惯量喷油器及电子调速器,雾化好,燃烧充分,降低噪音,节能环保。


